| A Dual Band VHF/UHF J Pole |

SCARC VHF/UHF J POLE ANTENNA
This antenna provides continuous coverage of the 2 metre (144 – 148MHz) and 70cm (430 – 450MHz) bands and is an excellent choice for base station use. The design is based on an article which originally appeared in CQ magazine (1987), and a version of this design is produced by Arrow Antennas of the USA (not available in Australia). In Adelaide, Barry (VK5ZBQ) and Paul (VK5PH) produced a kit version of this design for members of the Adelaide Hills Amateur Radio Society, and this kit for South Coast Amateur Radio Club members is a mechanically simplified version of the AHARS kit and original CQ article.
The antenna has a low SWR (less than 1.5:1) over both bands and forms an ideal aerial system for the dual band transceivers that now dominate the market. It features a single feed point via a stud mount SO239 socket. It has excellent DX properties and will out- perform many theoretically better antenna systems. The antenna is a dual “J pole” design, and has a common driven element for both bands. It does not require a ground plane for operation, but it is firmly recommended that the antenna should be mounted on a well grounded metal pole. This will provide some protection in the event of a lightning strike. The top of the metal pole should not protrude significantly beyond the top of the metal mounting bracket, thus avoiding the creation of high SWRs.
The principle of a J Pole is well understood, and basically involves feeding the upper part of the antenna (a half wave dipole) with the lower part of the antenna (a quarter wave matching stub). This structure exhibits better gain than a quarter wave ground plane and about the same gain as a half wave dipole. Viewed from the top the radiation pattern is omnidirectional. The vertical plane radiation is parallel to the ground (zero angle of radiation) giving good local coverage. In this antenna, the feed is at the current point of the quarter wave stub, providing a low impedance that can be easily matched to the coaxial feeder. For best performance on both bands use a high quality low loss coaxial cable, particularly if the feeder cable is long. RG-8 or RG-213 is recommended.
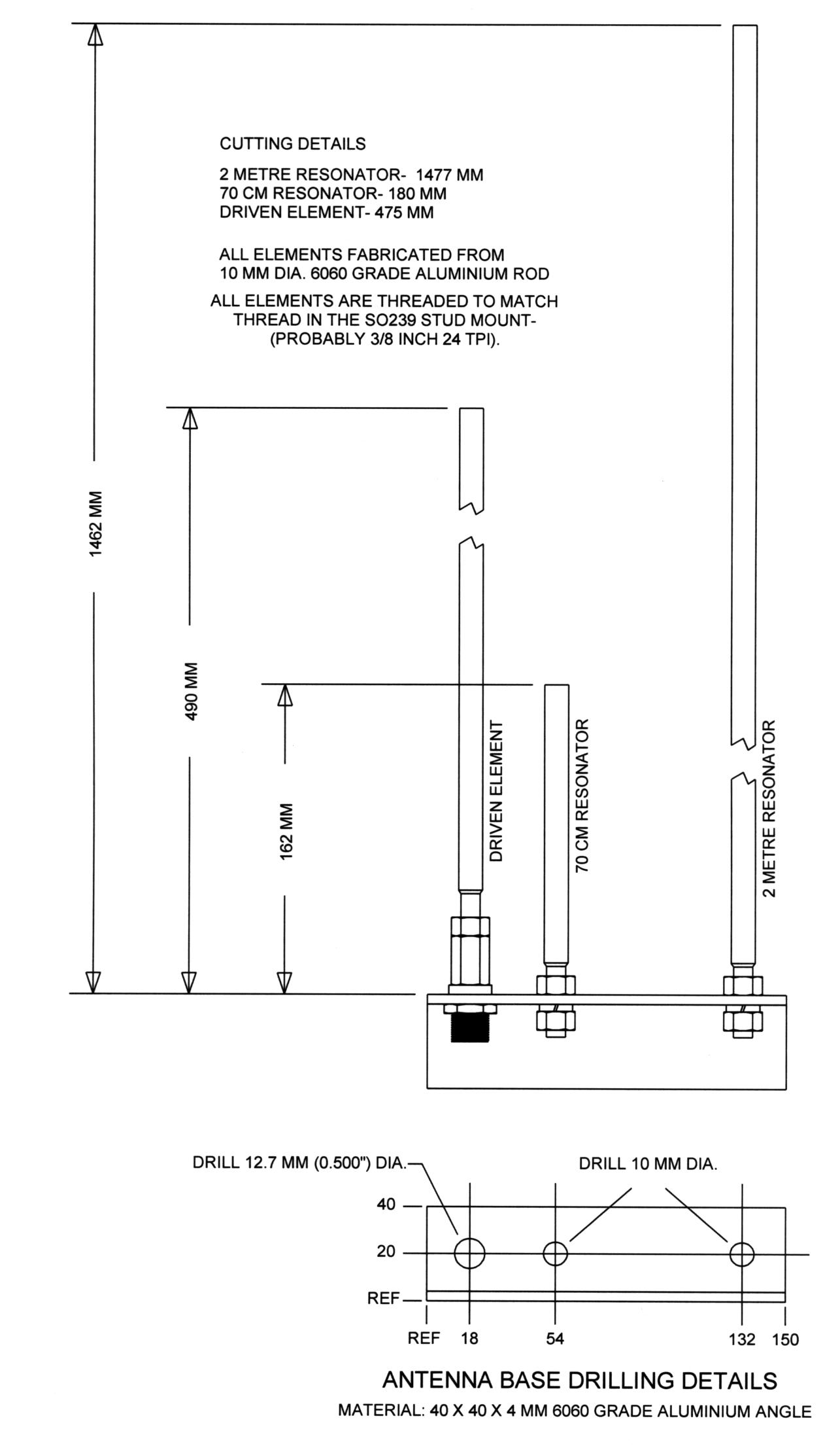
All aluminium alloy used in the antenna is grade 6060 which has excellent weathering characteristics. The resonator rods are secured with 304 grade stainless steel nuts and washers, and this allows minor adjustments to be made in the lengths of the elements. In turn this allows the user to fiddle with the SWR and bandwidth centre to optimise performance at a selected frequency.
The antenna design is massively simplified by using an SO239 Stud mounting base on the driven element. These bases are attractively priced and readily available on the internet. The adaptor nut at the top of this mount is internally threaded with a 3/8 inch 24 TPI thread, and so the bottom of the driven element must be threaded to match. To keep life simple it is recommended that the same thread is also cut on the bottom of the other two elements, which are then fitted with the 3/8”24TPI stainless steel nuts and washers.
If the antenna is to be mounted outside, it is recommended that the socket on the driven element is weatherproofed with self amalgamating tape or silicone sealant. The mounting bracket should be appropriately drilled to match the U clamp which retains the antenna to the mast.

SO239 STUD MOUNT
VK5JST September 2007